Площадочный вибратор Vibromatic MVF200DC-12
Гарантия производителя 1 год
Гарантийный срок службы – 12 месяцев со дня ввода в эксплуатацию, но не более 18 месяцев со дня отгрузки с завода – изготовителя.
Технические характеристики площадочного вибратора Vibromatic MVF200DC-12
| Параметр | Значение |
| Напряжение, В | 12 |
| Частота вращения, об/мин | 3000 |
| Вынуждающая сила, кН | 2,0 |
| Мощность, кВт | 0,16 |
| Сила тока, А | 13,3 |
| Масса, кг | 6,5 |
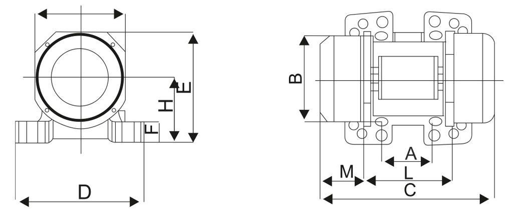
Габаритные размеры Vibromatic MVF200DC-12

| Тип вибратора | A | B | G | C | D | E | F | H | I | L | M | N | Кабельный вход |
| MVF200DC-12 |
62-74 |
106 |
9 |
218 | 164 | 140 | 25 | 82 | 116 | 123 | 53 | 100 | M20*1,5 |
|
65 |
140 |
13 |
|||||||||||
|
115 |
135 |
11 |
|||||||||||
|
135 |
115 |
11 |
Выберите город самовывоза
Доступные адреса доставки
|
ПЭК, г. Владивосток, Военное Шоссе д.18
Телефон: (423) 279-05-47 E-mail: vladivostok@pecom.ru График работы: понедельник-пятница с 9-00 до 19-00 суббота с 10-00 до 16-00 |
Заберу отсюда |
|
КАШАЛОТ (КИТ), г. Владивосток, ул. Выселковая, 76 А
Телефон: +7 423 279-97-08 E-mail: vladivostok@tk-kit.ru График работы: пн-пт 09:00-18:00 сб 10:00-15:00 |
Заберу отсюда |
|
Деловые Линии, Владивосток, Посадская ул., 20 (въезд со Снеговой ул.)
Телефон: + 7 (423) 265-07-77 E-mail: pismo@dellin.ru График работы: Прием и выдача груза: понедельник-пятница 09:00-20:00, суббота 10:00-17:00 |
Заберу отсюда |
|
DPD, г Владивосток, ул Карьерная, дом 20А, пав. Литера 18
Телефон: 8 (800) 250-44-34 График работы: Пн-Пт 09.00-18.00 Сб,Вс 10.00-17.00 |
Заберу отсюда |
Площадочный вибратор Vibromatic MVF200DC-12 отзывы
Нужна помощь с заказом? позвоните нам!
8 (800) 505-93-08


